Product Overview of Stainless Steel Lift Check Valve H41W/H:
Product model: H41W/H
Nominal diameter: DN50 ~ 400mm
Pressure range: PN10 ~ 160MPa
Operating temperature: -196℃ ~ +560℃
Main material: carbon steel, stainless steel, alloy steel
Design and manufacture: GB12236
Structure length: GB12221
Connection flange: JB/T79-1994
Test and inspection: JB/T9092-1999
Product Details of Stainless Steel Lift Check Valve H41W/H:
Product Overview of Stainless Steel Lift Check Valve H41W/H:
Stainless Steel Lift Check Valve H41W/H produced and sold by TopVal, for medium and small diameter pipeline pressure, temperature and medium control connected to or cut off the pipeline medium opening and closing device; rely on valve flap weight and fluid pressure automatically stop fluid backflow .
Main Features of Stainless Steel Lift Check Valve H41W/H:
1, when the medium flows into the valve body by the arrow of the body, the pressure of the medium acts on the valve flap to generate an upward thrust force, and when the medium thrust force is greater than the gravity of the valve flap, the valve is opened. When the valve medium pressure on the role of the valve with the force of the valve itself is greater than the pressure before the valve pressure on the role of the valve, the valve closed to prevent the media back.
2, lifting check valve has the advantages of simple structure, reliable operation, easy maintenance, widely used in purification equipment, petroleum, chemical, metallurgy, electric power, textile and other production processes.
Performance Specifications of Stainless Steel Lift Check Valve H41W/H:
| Body material | Nominal pressure (MPa) | Working temperature (℃) | Suitable media | |
| Carbon steel | 1.6-6.4 | ≤425 | Water, oil, steam | |
| 10.0,16.0 | ≤450 | / | ||
| stainless steel | P | 1.6-16.0 | ≤200 | Nitric acids |
| R | / | / | Acetic acid | |
| Chrome nickel-titanium heat-resistant steel | PI | 1.6-6.4 | ≤550 | Oil, petroleum products |
| Chrome-molybdenum steel | 1.6-16.0 | ≤550 | oil | |
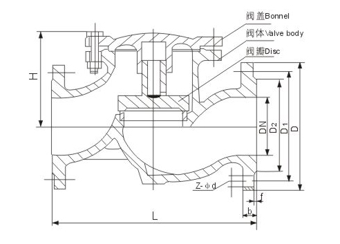
Main Dimensions of Stainless Steel Lift Check Valve H41W/H:

| Nominal pressure PN | Nominal diameter DN | The main connection size | Overall dimensions | ||||||||
| L | D | D 1 | D 2 | D 6 | b | f | f 1 | Z-φd | H | ||
| 1.6MPa | 40 | 200 | 145 | 110 | 85 | - | 16 | 2 | - | 4-18 | 95 |
| 50 | 230 | 160 | 125 | 100 | - | 16 | 2 | - | 4-18 | 105 | |
| 65 | 290 | 180 | 140 | 120 | - | 18 | 2 | - | 4-18 | 120 | |
| 80 | 310 | 195 | 165 | 135 | - | 20 | 3 | - | 8-18 | 130 | |
| 100 | 350 | 215 | 180 | 155 | - | 20 | 3 | - | 8-18 | 140 | |
| 125 | 400 | 245 | 210 | 185 | - | 22 | 3 | - | 8-12 | 155 | |
| 150 | 480 | 280 | 240 | 210 | - | 24 | 3 | - | 8-23 | 180 | |
| 200 | 600 | 335 | 295 | 265 | - | 26 | 3 | - | 12-23 | 215 | |