Product Description:
API Forged Steel Flange Check Valve H41Y produced by TopVal disc and seat sealing surface using cobalt-based carbide plasma spray welding hardness, erosion resistance, durability. Apply to the operating temperature of 600 ℃ petroleum, chemical, hydraulic, thermal power plants and other conditions of the pipeline cut off or connected to the media. Suitable media: water, oil, steam, and gas, some corrosive liquids.
Working Principleof API Forged Steel Flange Check Valve H41Y:
Forged steel flange check valve disc, valve seat sealing surface using iron-based alloy or stellite (Stellite) Cobalt-based hard alloy welding surface into a wear-resistant, high temperature, corrosion resistance, abrasion resistance and good service life Long and so on. Stainless steel pin and valve flap with built-in structure - excellent performance - more reliable sealing. Products are widely used in petroleum, chemical, pharmaceutical, power industry and other conditions of pipeline anti-media backflow effect. Suitable medium for water, oil, steam, gas and some corrosive liquid media.
Main Features of API Forged Steel Flange Check Valve H41Y:
1, the guide ribs on the hard alloy surfacing alloy sleeve made of stainless steel guide to ensure flexible action.
2, the valve disc and seat sealing surface made of cobalt-based carbide plasma spray hardness, erosion resistance, durable.
3, advanced pressure seal design and high purity graphite gasket ring to ensure high air tightness.
4, the valve cavity with self-tight pressure seal structure, the higher the pressure within the cavity sealing performance.
5, the valve flap around the valve seat outside the rotation, reducing the violent impact occurred when closed.
Main Material List of API Forged Steel Flange Check Valve H41Y:
Serial number | Part Name | CS to ASTM | AS to ASTM | SS to ASTM | |
Type A105N | Type F22 | Type F304 (L) | Type F316 (L) | ||
1 | Body | A105N | A182 F22 | A182 F304 (L) | A182 F316 (L) |
2 | Nameplate | SS | |||
3 | Disc | A276 420 | A276 304 | A276 304 (L) | A276 316 (L) |
4 | cap | A105N | A182 F22 | A182 F304 (L) | A182 F316 (L) |
5 | Gasket | 316 clip flexible graphite | 316 Clamp PTFE | ||
6 | bolt | A193 B7 | A193 B16 | A193 B8 (M) | A193 B8 (M) |
Suitable media | Water, steam, oil and so on | Water, steam, oil and so on | Nitric acid, acetic acid and so on | ||
proper temperature | -29 ° C ~ 425 ° C | -29 ° C ~ 550 ° C | -29 ° C ~ 200 ° C | ||
※ Note: other materials required by customers can also be used. Sealing surface material matching specified by the customer within the code.
CS = carbon steel; AS = alloy steel; SS = stainless steel.
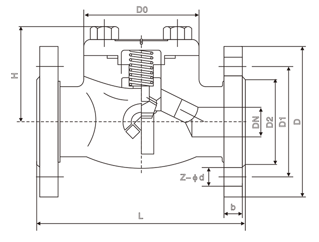
Size (mm) and Weight (Kg) of API Forged Steel Flange Check Valve H41Y:

NPS | 1/2 | 3/4 | 1 | 1 1/4 | 1 1/2 | 2 | ||
L (RTJ) | 150 | 108 | 117 | 127 | 140 | 165 | 203 | |
300 | 152 | 178 | 203 | 216 | 229 | 267 | ||
600 | 165 | 190 | 216 | 229 | 241 | 292 | ||
H | 150,300 | 61 | 61 | 79 | 95 | 103 | 118 | |
600 | 61 | 79 | 95 | 103 | 118 | 135 | ||
weight | 150 | RTJ | 2.56 | 3.37 | 4.37 | 8.17 | 8.94 | 12.64 |
BW | 1.70 | 1.90 | 2.10 | 5.12 | 5.50 | 7.89 | ||
300 | RTJ | 2.73 | 3.65 | 4.74 | 8.77 | 9.60 | 13.70 | |
BW | 1.90 | 2.10 | 3.00 | 5.12 | 6.60 | 7.85 | ||
600 | RTJ | 3.00 | 4.00 | 5.83 | 9.47 | 10.10 | 15.6 | |
BW | 2.00 | 3.12 | 4.25 | 7.25 | 8.56 | 13.60 | ||