Main Features of Three-way Flanged Ball Valve Q45F:
1, three-way ball valve structure in the use of integrated structure, high reliability, the design achieved a lightweight.
2, three-way ball sub-T-shaped and L-shaped, long service life, flow capacity, resistance.
3, simple structure, small size, light weight.
4, close and reliable. Ball valve sealing surface material widely used in a variety of plastic, good sealing, can be completely sealed. In vacuum systems are also widely used.
5, easy to operate, quick opening and closing, as long as the full turn to 90 degrees off, easy to remote control.
6, easy maintenance, ball valve structure is simple, the seals are generally active, demolition and replacement are more convenient.
7, in the fully open or fully closed, the ball and seat sealing surface and media isolation, media will not cause the valve sealing surface erosion.
8, the ball valve in the process of opening and closing wipe, it can be used for medium with suspended solids.
Adaptations to Three-way Flanged Ball Valve Q45F:
Q45F Three-way Flanged Ball Valve is suitable for switching the medium flow and the diversion or mixed fluid to the medium in water supply, petrochemical, metallurgy, mining, textile, energy, paper making, food, steel and other piping systems.
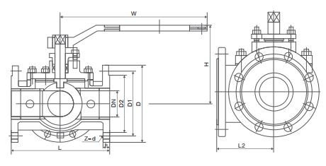
Main Dimensions of Three-way Flanged Ball Valve Q45F:

| 150Lb-300Lb | |||||||||||||||
| size | inch | 1/2 " | 3/4 " | 1" | 1-1 / 4 " | 1-1 / 2 " | 2" | 2-1 / 2 " | 3 " | 4 " | 5 " | 6 " | 8" | 10 " | 12 " |
| DN | 15 | 20 | 250 | 40 | 40 | 50 | 65 | 80 | 100 | 125 | |||||