Product Overview of Lined Fluorine Ball Valve Q41F46:
Product model: Q41F46
Nominal diameter: DN15~250mm, NPS1/2"~10"
Nominal pressure: PN1.0~1.6MPa
Drive mode: manual, worm gear rotation, pneumatic, electric
Main material: HT250, WCB, CF8, CF8M, CF3, CF3M
Design specification: GB/T 12237, API 6D standard
Product Details of Lined Fluorine Ball Valve Q41F46:
Introduction of Lined Fluorine Ball Valve Q41F46:
Lined Fluorine Ball Valve Q41F46 produced and sold by TopVal is used with a circular hole for the opening and closing of the ball, the ball with the valve stem around the center line of rotation in order to achieve the valve to open and close. Our ball valve series for the Q41 type, for the two open structure.
1, using a special molding process, so that the sealing surface is dense and good, combined with V-PTFE packing valve to achieve zero leakage.
2, the ball and stem casting as a whole, put an end to pressure stem stem out of the possibility of pressure within the pressure parts, the fundamental guarantee of safety.
3, the use of all plastic lining technology, resistant to strong corrosion.
Lined Fluorine Ball Valve Q41F46 drive
Manual lined fluorine ball valve, worm gear lined fluorine ball valve, pneumatic lined fluorine ball valve, electric lined fluorine ball valve
Main Parts of Lined Fluorine Ball Valve Q41F46
| Serial number | Part Name | grey cast iron | Cast steel | Stainless steel acid-proof | Ultra-low carbon stainless steel acid-proof | ||
| Z | C | P | R | PL | RL | ||
| 1 | Body / bonnet | HT250 | WCB | CF8 | CF8M | CF3 | CF3M |
| 2 | Sphere / stem | WCB | CF8 | CF8M | CF3 | CF3M | |
| 3 | Lining / seat | PCTEF (F3), FEP (F46), PFA (Soluble F4), PP, PO | |||||
| 4 | Packing gland | WCB | CF8 | CF8M | CF3 | CF3M | |
| 5 | filler | PTFE (F4) | PTFE (F4) | PTFE (F4) | |||
| 6 | Bracket | 35 | 1Cr18Ni9Ti | 1Cr18Ni9Ti | |||
| 7 | bolt | 35 | Cr17Ni2 | 1Cr18Ni2 | |||
| 8 | Tighten the nut | 45 | 0Cr18Ni9 | 0Cr18Ni9 | |||
| 9 | Operating handle | WCB | WCB | WCB | |||
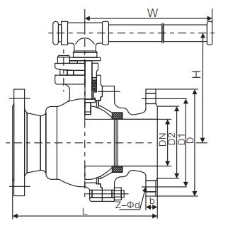
Main Dimensions and Connection Dimensions of Lined Fluorine Ball Valve Q41F46:

| Nominal diameter | L | D | D1 | D2 | f | b | Z-φd | |
| DN (mm) | NPS (inch) | PN1.0MPa | ||||||
| 15 | 1/2 | 130 | 95 | 65 | 45 | 2 | 14 | 4-φ14 |
| 20 | 3/4 | 140 | 105 | 75 | 55 | 2 | 16 | 4-φ14 |
| 25 | 1 | 150 | 115 | 85 | 65 | 2 | 16 | 4-φ14 |
| 32 | 5/4 | 165 | 135 | 100 | 78 | 2 | 18 | 4-φ18 |
| 40 | 3/2 | 180 | 145 | 110 | 85 | 3 | 18 | 4-φ18 |
| 50 | 2 | 200 | 160 | 125 | 100 | 3 | 20 | 4-φ18 |
| 65 | 5/2 | 220 | 180 | 145 | 120 | 3 | 20 | 4-φ18 |
| 80 | 3 | 250 | 195 | 160 | 135 | 3 | 22 | 4-φ18 |
| 100 | 4 | 280 | 215 | 180 | 155 | 3 | 22 | 8-φ18 |
| 125 | 5 | 320 | 245 | 210 | 185 | 3 | 24 | 8-φ18 |
| 150 | 6 | 360 | 280 | 240 | 210 | 3 | 24 | 8-φ23 |
| 200 | 8 | 457 | 335 | 295 | 265 | 3 | 26 | 8-φ23 |
| 250 | 10 | 533 | 390 | 350 | 320 | 3 | 28 | 12-φ23 |
| PN1.6MPa | ||||||||
| 15 | 1/2 | 130 | 95 | 65 | 45 | 2 | 14 | 4-φ14 |
| 20 | 3/4 | 130 | 105 | 75 | 55 | 2 | 16 | 4-φ14 |
| 25 | 1 | 140 | 115 | 85 | 65 | 2 | 16 | 4-φ14 |
| 32 | 5/4 | 165 | 135 | 100 | 78 | 2 | 18 | 4-φ18 |
| 40 | 3/2 | 165 | 145 | 110 | 85 | 3 | 18 | 4-φ18 |
| 50 | 2 | 203 | 160 | 125 | 100 | 3 | 20 | 4-φ18 |
| 65 | 5/2 | 222 | 180 | 145 | 120 | 3 | 20 | 4-φ18 |
| 80 | 3 | 241 | 195 | 160 | 135 | 3 | 22 | 8-φ18 |
| 100 | 4 | 305 | 215 | 180 | 155 | 3 | 24 | 8-φ18 |
| 125 | 5 | 356 | 245 | 210 | 185 | 3 | 26 | 8-φ18 |
| 150 | 6 | 394 | 280 | 240 | 210 | 3 | 28 | 8-φ23 |
| 200 | 8 | 457 | 335 | 295 | 265 | 3 | 30 | 12-φ23 |