Introduction about Pneumatic Ventilation Butterfly Valve D641W-1C:
Pneumatic Ventilation Butterfly Valve D641W-1C produced by TopVal valve body made of the same material into a ring, the use of electric or pneumatic drive. The applicable temperature with the body material selection may be, nominal pressure ≤ 0.6MPa, generally applicable to industrial, metallurgical, environmental protection and other pipe for ventilation regulation of media flow purposes.
Main Features of Pneumatic Ventilation Butterfly Valve D641W-1C:
1, a new design, reasonable, unique structure, light weight, quick opening and closing.
2, torque is small, easy to operate, labor-saving smart.
3, the use of adaptive materials to meet the low, medium and high temperature of different media and corrosive media.
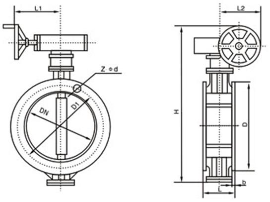
Pneumatic Ventilation Butterfly Valve D641W-1C Dimensions (PN0.5,2.5):

Nominal Diameter | Structure Length | Dimensions | Connection size | Pneumatic actuator model | |||||||
| 0.05MPa and 0.25MPa | |||||||||||
| DN | inch | L | H | H1 | D | D1 | D2 | Zd | A | W | |
| 100 | 4 | 120 | 105 | - | 210 | 170 | 144 | 4-18 | 140 | 70 | GTD63 |
| 125 | 5 | 120 | 120 | - | 240 | 200 | 174 | 8-18 | 140 | 70 | GTD63 |
| 150 | 6 | 120 | 132 | - | 265 | 225 | 199 | 8-18 | 186 | 91 | GTD83 |
| 200 | 8 | 140 | 160 | - | 320 | 280 | 254 | 8-18 | 186 | 91 | GTD83 |
| 250 | 10 | 140 | 187 | - | 375 | 335 | 309 | 12-18 | 186 | 91 | GTD83 |
| 300 | 12 | 170 | 220 | - | 440 | 395 | 363 | 12-22 | 254 | 120 | GTD110 |
| 350 | 14 | 170 | 245 | - | 490 | 445 | 413 | 12-22 | 254 | 120 | GTD110 |
| 400 | 16 | 190 | 270 | - | 540 | 495 | 463 | 16-22 | 254 | 120 | GTD110 |
| 450 | 18 | 190 | 297 | - | 595 | 550 | 518 | 16-22 | 296 | 137 | GTD127 |
| 500 | 20 | 190 | 322 | - | 645 | 600 | 568 | 20-22 | 296 | 137 | GTD127 |
| 600 | 24 | 210 | 377 | - | 755 | 705 | 667 | 20-26 | 296 | 137 | GTD127 |
| 700 | 28 | 210 | 430 | - | 860 | 810 | 772 | 24-26 | 384 | 173 | GTD160 |
| 800 | 32 | 210 | 487 | - | 975 | 920 | 878 | 24-30 | 384 | 173 | GTD160 |
| 900 | 36 | 250 | 537 | - | 1075 | 1020 | 978 | 24-30 | 384 | 173 | GTD160 |
| 1000 | 40 | 250 | 587 | - | 1175 | 1120 | 1078 | 28-30 | 501 | 208 | GTD190 |
| 1200 | 48 | 250 | 687 | - | 1375 | 1320 | 1280 | 32-30 | 501 | 208 | GTD190 |
| 1400 | 56 | 300 | 700 | - | 1575 | 1520 | 1480 | 36-30 | 501 | 208 | GTD190 |
| 1600 | 84 | 300 | 895 | - | 1790 | 130 | 1690 | 40-30 | 501 | 208 | GTD190 |
| 1800 | 72 | 300 | 995 | - | 1990 | 1930 | 1880 | 44-30 | 1090 | 230 | AW17 |
| 2000 | 80 | 300 | |||||||||