Product overview
Product model: D343W/H
Nominal diameter: DN50~2000mm
Nominal pressure: PN0.6~4.0MPa
Applicable temperature: -29~425℃
Applicable medium: water, steam, oil, etc
Drive mode: worm gear drive, electric, pneumatic, hydraulic
Design and manufacture standard: GB/T 12238-2008
Structure length standard: GB/T 12221-2005
Connection flange standard: GB/T 9113
Pressure and temperature grade: GB/T 12224-2005
Test inspection standard: GB/T 13927-2008
D343W/H Flange Multi-layer Metal Hard Seal Butterfly Valve product details
Flange Multi-layer Metal Hard Seal Butterfly Valve D343W/H Product Overview:
Flange Multi-layer Metal Hard Seal Butterfly Valve D343W/H is produced and wholesaled by TopVal, uses sophisticated J-shaped elastic ring seal and three eccentric multi-level metal hard seal structure, is widely used in metallurgy, power, petrochemicals, temperature, temperature, etc., and industrial pipelines such as water supply and drainage and municipal construction Regulate flow and interrupt fluid usage. The valve uses three eccentric structure, the valve seat and the disc sealing surface are made of different hardness and stainless steel, with good corrosion resistance, long service life, the product complies with national GB / T13927-92 valve pressure test standards.
Flange Multi-layer Metal Hard Seal Butterfly Valve D343W/H Features:
1, the valve adopts three eccentric sealing structure, the valve seat and disc almost no wear, with the more the more tight sealing function.
2, the ring made of stainless steel, with the advantages of both metal seal and flexible seal, both in the case of low temperature and high temperature, have excellent sealing performance, with corrosion resistance, long service life and so on.
3, the sealing surface of the plate is cladded with cobalt-based cemented carbide, the sealing surface is resistant to wear and has a long service life.
4, Large-format butterfly plate frame structure, high strength, large flow area, small flow resistance.
5, the valve has a two-way sealing function, the installation is not subject to restrictions on the flow of media, but also the location of space, can be installed in any direction.
6, the drive can be multi-station (rotated 90 ° or 180 °) installation, user-friendly.
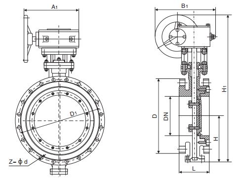
Flange Multi-layer Metal Hard Seal Butterfly Valve D343W/H connection size:

| Nominal diameter (DN) | Main dimensions | Flange size and bolt size | ||||||||||
| 1.0MPa | 1.6MPa | 2.5MPa | ||||||||||
| L | H1 | H | D | D1 | n-Фd | D | D1 | n-Фd | D | D1 | n-Фd | |
| 50 | 108 | 350 | 112 | 165 | 125 | 4-18 | 165 | 125 | 4-18 | 165 | 125 | 4-18 |
| 65 | 112 | 370 | 115 | 185 | 145 | 4-18 | 185 | 145 | 4-18 | 185 | 145 | 8-18 |
| 80 | 114 | 380 | 120 | 200 | 160 | 4-18 | 200 | 160 | 8-18 | 200 | 160 | 8-18 |
| 100 | 127 | 420 | 138 | 220 | 180 | 8-18 | 220 | 180 | 8-18 | 235 | 190 | 8-22 |
| 125 | 140 | 460 | 164 | 250 | 210 | 8-18 | 250 | 210 | 8-22 | 270 | 220 | 8-26 |
| 150 | 140 | 555 | 175 | 285 | 240 | 8-22 | 285 | 240 | 8-22 | 300 | 250 | 8-26 |
| 200 | 152 | 760 | 200 | 340 | 295 | 8-22 | 340 | 295 | 12-22 | 360 | 310 | 12-26 |
| 250 | 165 | 830 | 243 | 395 | 350 | 12-22 | 405 | 355 | 12-26 | 425 | 370 | 12-30 |
| 300 | 178 | 895 | 250 | 445 | 400 | 12-22 | 460 | 410 | 12-26 | 485 | 430 | 16-30 |
| 350 | 190 | 950 | 280 | 505 | 460 | 16-22 | 520 | 470 | 16-26 | 555 | 490 | 16-33 |
| 400 | 216 | 1190 | 305 | 565 | 515 | 16-26 | 580 | 525 | 16-30 | 620 | 550 | 16-36 |
| 450 | 222 | 1255 | 350 | 615 | 565 | 20-26 | 640 | 585 | 20-30 | 670 | 600 | 20-36 |
| 500 | 229 | 1305 | 380 | 670 | 620 | 20-26 | 715 | 650 | 20-33 | 730 | 660 | 20-36 |
| 600 | 267 | 1340 | 445 | 780 | 725 | 20-30 | 840 | 770 | 20-36 | 845 | 770 | 20-39 |
| 700 | 292 | 1520 | 480 | 895 | 840 | 24-30 | 910 | 840 | 24-36 | 960 | 875 | 24-42 |
| 800 | 318 | 1710 | 530 | 1015 | 950 | 24-33 | 1025 | 950 | 24-39 | 1085 | 990 | 24-48 |
| 900 | 330 | 1810 | 580 | 1115 | 1050 | 28-33 | 1125 | 1050 | 28-39 | 1185 | 1090 | 28-48 |
| 1000 | 410 | 1960 | 650 | 1230 | 1160 | 28-36 | 1255 | 1170 | 28-42 | 1320 | 1210 | 28-56 |
| 1200 | 470 | 2250 | 760 | 1455 | 1380 | 32-39 | 1485 | 1390 | 32-48 | 1530 | 1420 | 32-56 |
| 1400 | 530 | 2435 | 850 | 1675 | 1590 | 36-42 | 1685 | 1590 | 36-48 | 1755 | 1640 | 36-62 |
| 1600 | 600 | 2780 | 1030 | 1915 | 1820 | 40-48 | 1930 | 1820 | 40-56 | 1975 | 1860 | 40-62 |
| 1800 | 670 | 3020 | 1230 | 2115 | 2020 | 44-48 | 2130 | 2020 | 44-56 | 2195 | 2070 | 44-70 |
| 2000 | 760 | 3270 | 1350 | 2325 | 2230 | 48-48 | 2345 | 2230 | 48-62 | 2425 | 2300 | 48-70 |